Guide schéma installation panneau solaire pdf complet
Avez-vous déjà pensé à faire de votre maison une centrale électrique ? Un schéma d’installation de panneaux solaires peut changer tout. Il vous aide à utiliser les énergies renouvelables de manière efficace.
Les panneaux solaires sont une solution clé pour l’avenir. Ils permettent de produire de l’énergie propre chez soi. Avoir un schéma d’installation est crucial pour bien planifier votre projet.
Ekosia vous guide dans ce voyage technique. Avec notre guide, vous apprendrez tout sur l’installation solaire. Que vous soyez débutant ou expert en énergie verte, ce guide est pour vous.
Points clés à retenir
- Comprendre les bases d’un schéma d’installation solaire
- Identifier les composants essentiels des panneaux photovoltaïques
- Optimiser l’efficacité de votre installation
- Connaître les réglementations françaises
- Évaluer les bénéfices économiques et environnementaux
Qu’est-ce qu’un schéma d’installation de panneaux solaires ?
Un schéma d’installation de panneaux solaires est un document clé pour les systèmes solaires. Il montre chaque étape et connexion pour une installation réussie.
Les guides d’installation solaire sont plus qu’un plan. Ils sont un véritable guide technique pour la performance et la sécurité de votre système.
Définition et importance stratégique
Un bon schéma réduit les pertes d’énergie et augmente le rendement. Une installation bien faite peut booster l’autoconsommation de 30% à 50%.
- Prévention des erreurs d’installation
- Optimisation du placement des panneaux
- Respect des normes techniques
- Maximisation de la production énergétique
Types de schémas disponibles
Il existe plusieurs types de schémas pour chaque besoin d’installation solaire.
| Type de Schéma | Caractéristiques | Utilisation |
|---|---|---|
| Systèmes solaires autonomes | Installation indépendante du réseau | Zones isolées, sites non raccordés |
| Systèmes connectés au réseau | Raccordement électrique standard | Habitat résidentiel et commercial |
| Schémas hybrides | Combinaison réseau et stockage | Optimisation énergétique complexe |
L’expertise technique dans un guide d’installation fait la différence entre une installation moyenne et une installation performante.
Chaque schéma demande une attention minutieuse aux détails techniques. Il faut suivre des recommandations précises sur l’inclinaison des panneaux, les connexions électriques et les lois locales.
Avantages d’un schéma d’installation de panneaux solaires
Planifier votre installation solaire est essentiel. Un bon schéma vous aide à être plus efficace et à bien connecter votre réseau électrique.
Un schéma bien fait change tout. Il vous guide vers une installation solaire efficace.
Clarification des étapes d’installation
Un schéma détaillé donne une vue claire de votre projet. Il vous aide à :
- Trouver le meilleur endroit pour les panneaux
- Comprendre les connexions électriques
- Prévoir les problèmes techniques
Optimisation de l’espace disponible
L’espace est crucial pour une production d’électricité verte maximale. Un bon schéma optimise l’espace de la façon suivante :
| Critère | Impact |
|---|---|
| Orientation des panneaux | Jusqu’à 20% de plus |
| Inclinaison optimale | Meilleur rendement |
| Calcul de l’espacement | Moins d’ombre |
Un schéma détaillé vous fait économiser beaucoup à long terme. Les bonnes installations peuvent économiser jusqu’à 19 200 € sur 20 ans.
« La planification est la clé d’une installation solaire réussie et économique »
Les différents types de panneaux solaires

Il existe plusieurs types de panneaux solaires pour améliorer votre investissement durable. Chaque panneau a des caractéristiques uniques. Ils répondent à différents besoins d’énergie.
Panneaux solaires photovoltaïques
Les panneaux photovoltaïques changent le soleil en électricité. Voici ce qu’ils offrent :
- Durée de vie moyenne : 25 ans
- Rendement énergétique selon le type de cellules
- Types principaux : monocristallins, polycristallins et couches minces
Les cellules en silicium polycristallin sont très populaires. Elles offrent un bon rapport qualité-prix. Un module standard produit environ 100 Wc par m² dans les meilleures conditions.
Panneaux solaires thermiques
Ces panneaux transforment le soleil en chaleur. Ils sont parfaits pour l’eau chaude sanitaire ou le chauffage.
- Captent directement l’énergie thermique
- Efficaces pour réduire la consommation énergétique
- Adaptés aux systèmes de chauffage domestique
L’efficacité d’un panneau solaire dépend directement de son exposition et de sa température.
Le choix entre photovoltaïque et thermique dépend de vos objectifs. Cela inclut l’autoconsommation et l’investissement durable.
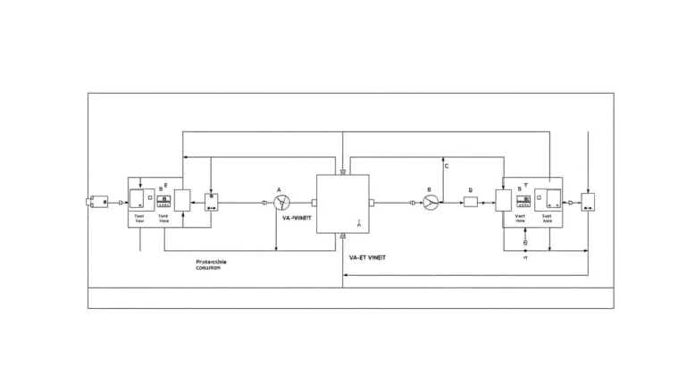
Éléments clés d’un schéma d’installation
Comprendre les composants essentiels d’un système solaire est crucial. Cela aide à bien installer votre système solaire. Chaque élément a un rôle important pour la performance de votre installation.
Composants essentiels du système solaire
Un bon schéma d’installation a plusieurs éléments clés :
- Panneaux photovoltaïques
- Onduleurs
- Régulateurs de charge
- Câblages électriques
- Boîtier de jonction
Configuration détaillée des composants
La documentation technique doit donner des détails sur chaque composant. Voici ce qu’il faut savoir :
| Composant | Caractéristiques | Durée de vie |
|---|---|---|
| Panneaux | Cellules photovoltaïques | 25-30 ans |
| Onduleurs | Conversion courant | 10-20 ans |
| Câbles | PV et AC | 20-25 ans |
Un schéma précis garantit une installation solaire optimale et sécurisée.
Les normes françaises, comme la NF C 15-100, régissent la configuration. Chaque connexion et composant doit suivre ces règles strictes.
Votre schéma d’installation est essentiel. Il assure la performance et la conformité de votre système solaire.
Normes et réglementations en France

L’installation de panneaux solaires en France suit des règles strictes. Il est crucial de connaître ces normes pour assurer la conformité légale et la sécurité de l’installation.
Obligations légales fondamentales
Si vous voulez installer des panneaux solaires, il y a des règles à suivre. Ces règles changent selon la puissance et le type d’installation.
- Installations inférieures à 36 kW : Simple déclaration suffisante
- Installations entre 36 kW et 250 kW : Facturation semestrielle obligatoire
- Installations supérieures à 250 kW : Procédure d’enquête publique requise
Autorisations administratives nécessaires
Le schéma d’installation doit inclure les autorisations nécessaires. Ekosia conseille de vérifier les documents selon votre projet.
| Type d’Installation | Autorisation Requise |
|---|---|
| Toiture résidentielle | Déclaration préalable |
| Centrale photovoltaïque > 250 kWc | Permis de construire |
| Zone monument historique | Validation Architecte des Bâtiments de France |
« La réglementation évolue constamment pour favoriser le développement des énergies renouvelables »
Les objectifs de France sont ambitieux. Ils visent à atteindre 20,200 MW de puissance solaire photovoltaïque en 2023. Cela montre l’engagement de la France pour la transition énergétique.
Étapes préliminaires à l’installation

Avant de commencer, il faut bien se préparer. Un bon guide d’installation commence par évaluer votre site et vos besoins en énergie.
Évaluation approfondie du site
La première étape pour les panneaux solaires est d’évaluer votre site. Il faut regarder :
- Orientation et inclinaison du toit
- Ensoleillement disponible
- Ombres potentielles
- Résistance structurelle de la toiture
Calcul précis des besoins énergétiques
Pour bien dimensionner votre installation, il faut connaître votre consommation électrique. Analysez vos factures énergétiques des dernières années.
| Paramètre | Données à considérer |
|---|---|
| Consommation annuelle | Moyenne des 3 dernières années |
| Puissance installée | 1 kWc pour 10 m² de capteurs |
| Production estimée | 900-1200 kWh/an par kWc |
Astuce professionnelle : Utilisez des logiciels spécialisés pour réaliser une étude de faisabilité précise, avec une analyse approfondie de vos besoins énergétiques.
« Une préparation rigoureuse garantit le succès de votre installation solaire »
Méthodes de fixation des panneaux solaires

Installer des panneaux solaires est un investissement important. Il augmente la production d’énergie. La méthode de fixation choisie affecte la performance et la durée de vie de votre système.
Supports au sol : une alternative flexible
Les installations au sol sont flexibles. Elles conviennent bien aux propriétaires avec de l’espace libre. Voici ce qu’il faut savoir :
- Inclinaison optimale recommandée : 35° avec orientation plein sud
- Installations recommandées à partir de 1 MWc
- Nécessité d’une déclaration préalable pour les installations dépassant 3 kWc
Montage sur toiture : intégration et performance
Le montage sur toiture offre plusieurs options pour les panneaux :
| Type de Montage | Caractéristiques | Avantages |
|---|---|---|
| Intégration au Bâti (IAB) | Hauteur max 2 cm par rapport au toit | Esthétique optimale |
| Surimposition | Meilleure aération | Production électrique améliorée |
Un montage bien fait assure la performance et la durabilité de votre système solaire.
Les panneaux solaires doivent être installés par des experts. Cela assure leur efficacité et sécurité. L’orientation, l’inclinaison et le support sont cruciaux pour un bon investissement.
Installation électrique des panneaux solaires

L’installation électrique est essentielle pour produire de l’électricité verte. Chaque partie doit être bien connectée. Cela assure un bon raccordement au réseau électrique et une sécurité maximale.
Les systèmes solaires modernes demandent une configuration technique précise. Il faut synchroniser le réseau à 50 Hz pour qu’il fonctionne bien.
Configuration du système solaire
La configuration électrique comprend plusieurs étapes importantes :
- Vérification de la section des câbles
- Utilisation de connecteurs MC4 pour la sécurité
- Application de la technique Maximum Power Point Tracking (MPPT)
Un schéma d’installation clair réduit significativement les risques d’erreurs techniques.
Gestion de l’onduleur
L’onduleur est crucial pour transformer le courant continu en courant alternatif. Son choix dépend des besoins énergétiques de votre maison.
Pour améliorer votre installation, choisissez des systèmes avec :
- Des modules solaires de 12V
- Une tension en circuit ouvert d’environ 21V
- Un régulateur de charge performant
La réussite de votre installation dépend de la précision à chaque étape.
Entretien et maintenance des panneaux solaires

La durabilité et l’efficacité de votre installation solaire dépendent de sa maintenance. Pour une autoconsommation optimale, il faut une attention constante. Cela assure des performances maximales.
Les panneaux solaires sont des équipements sophistiqués. Ils nécessitent des soins attentifs pour maintenir leur rendement énergétique.
Fréquence des contrôles recommandés
- Inspection visuelle trimestrielle
- Nettoyage semi-annuel
- Contrôle technique annuel complet
- Vérification des connexions électriques
Problèmes courants à surveiller
| Type de problème | Impact | Solution |
|---|---|---|
| Microfissures | Réduction de la production électrique | Remplacement des panneaux endommagés |
| Accumulation de poussière | Diminution de l’efficacité | Nettoyage régulier |
| Problèmes de connexion | Pertes énergétiques | Vérification des câblages |
La documentation technique détaillée est essentielle pour un suivi précis. Sur www.ekosia.fr, vous trouverez des ressources complètes pour gérer efficacement votre installation solaire.
L’entretien préventif permet de réduire les pertes d’énergie et d’augmenter la durée de vie de vos panneaux solaires.
Un entretien régulier préserve vos investissements. Il maximise aussi votre autoconsommation énergétique.
Coûts associés à l’installation

Il est crucial de comprendre les coûts pour un projet d’énergie solaire. Investir dans l’énergie verte demande de bien analyser les dépenses et les avantages économiques.
Estimation détaillée des dépenses
Les coûts d’installation changent selon la puissance et le type de système. Voici un aperçu des coûts moyens en 2023 :
- Installation de 3 kWc : 7 500 à 9 000 € TTC
- Installation de 6 kWc : 14 000 à 16 000 € TTC
- Installation de 9 kWc : 18 000 à 20 000 € TTC
Analyse du retour sur investissement
Investir dans des panneaux solaires est une bonne affaire à long terme. Cela aide à réduire beaucoup les factures d’électricité.
- Prix initial de l’installation
- Économies annuelles sur la facture électrique
- Durée de vie des panneaux (25-30 ans)
- Aides gouvernementales disponibles
«L’investissement dans les panneaux solaires n’est pas une dépense, mais un placement intelligent pour l’avenir énergétique.»
Le temps de retour sur investissement est de 8 à 12 ans. Cela apporte des économies importantes sur plusieurs décennies.
Les aides financières pour les installateurs
La transition vers l’énergie renouvelable est devenue plus accessible. Cela grâce aux aides financières pour les installations solaires. Ces aides encouragent l’autoconsommation et rendent les projets plus abordables.
Les principaux crédits d’impôt
Le gouvernement français offre plusieurs aides pour les énergies renouvelables :
- MaPrimeRénov’ couvre jusqu’à 30% des dépenses de rénovation énergétique
- Les montants varient de 4 000 à 11 000 euros selon le type d’installation
- Un bonus supplémentaire de 1 500 euros est accordé pour l’amélioration de la performance énergétique
Subventions et primes détaillées
Les dispositifs de soutien à l’autoconsommation sont très attractifs :
| Puissance de l’installation | Prime (€/kWc) |
|---|---|
| ≤ 3 kWc | 220 |
| ≤ 9 kWc | 160 |
| ≤ 36 kWc | 190 |
| ≤ 100 kWc | 100 |
Il y a d’autres avantages financiers :
- TVA réduite à 10% pour les installations ≤ 3 kWc
- Prêt à taux zéro prolongé jusqu’en 2027
- Obligation d’achat du surplus électrique par EDF
« Ces aides représentent une opportunité unique de réduire vos coûts énergétiques tout en contribuant à la transition écologique »
Pour bénéficier de ces aides, il faut choisir un installateur certifié RGE. Il faut aussi respecter les délais de demande. Informez-vous bien auprès des organismes compétents pour maximiser vos économies dans votre projet d’énergie renouvelable.
Ressources et outils disponibles
Explorez les ressources clés pour installer des panneaux solaires. Notre expertise vous aide à choisir les meilleurs outils. Ces outils vous aideront à comprendre et installer votre système solaire.
Guide PDF détaillé à télécharger
Un schéma installation panneau solaire pdf complet vous attend. Ce guide de 47 pages, sorti le 24 janvier 2024, est essentiel. Il vous donne une documentation technique détaillée sur l’installation solaire.
- Nombre total de pages : 47
- Date de publication : 24 janvier 2024
- Contenu : Évaluations techniques, échelles de mise en œuvre
Ressources en ligne sur Ekosia
Sur notre site www.ekosia.fr, découvrez plus de ressources. Vous y trouverez des infos techniques, des conseils d’experts et des guides pratiques. Ces ressources vous aideront à optimiser votre installation solaire.
| Ressource | Description |
|---|---|
| Guide PDF | Schéma complet d’installation |
| Calculateurs en ligne | Dimensionnement de votre installation |
| Conseils techniques | Expertise photovoltaïque détaillée |
«Un bon schéma vaut mieux que de longs discours» – Proverbe de l’installation solaire
Avec ces outils, vous serez prêt à réaliser votre projet solaire en toute confiance.
Études de cas d’installations réussies
Les systèmes solaires autonomes sont essentiels dans le domaine des énergies renouvelables. Ils offrent des solutions innovantes pour produire de l’électricité verte. En France, plusieurs projets remarquables montrent que ces installations sont faisables et efficaces.
Exemples concrets en France
La région Nouvelle-Aquitaine est un bon exemple. Une exploitation agricole à Dordogne a transformé ses bâtiments en centrale solaire. Elle génère 80% de ses besoins énergétiques. Ce projet montre l’impact positif des panneaux solaires sur l’empreinte carbone d’une entreprise.
Analyse des résultats
Les données montrent que ces installations d’électricité verte sont très économiques. Un foyer peut réduire sa facture énergétique de 30% grâce aux systèmes solaires. La performance technique et économique de ces projets prouve que la transition énergétique est possible.
FAQ
Qu’est-ce qu’un schéma d’installation de panneaux solaires ?
Quels sont les différents types de systèmes solaires ?
Comment choisir le bon type de panneaux solaires ?
Quels sont les coûts associés à une installation solaire ?
Quelles sont les étapes préliminaires avant une installation ?
Comment fonctionne le raccordement au réseau électrique ?
Quelles sont les aides financières disponibles ?
Combien de temps dure une installation de panneaux solaires ?
Liens sources
- https://www.ecologie.gouv.fr/sites/default/files/documents/guide-installation-systemes-photovoltaiques-2024.pdf
- https://www.erm-energies.com/img/cms/1-Guide_installation_site_autonome_FR.pdf
- https://ecopedia.fr/schema-installation-panneau-solaire-pdf/
- https://www.monkitsolaire.fr/img/cms/notices-2023/NOTICE_MONTAGE_GENERAL_2023.pdf
- https://www.certificat-electricite-verte.com/guide-schema-installation-panneau-solaire-pdf/
- https://www.solarbox.fr/guides/panneau-solaire/branchement-serie-parallele/
- https://document.environnement.brussels/opac_css/elecfile/IF%20ENERGIE%20Mod6%20Types%20implantation%20FR
- https://ww2.ac-poitiers.fr/electrotechnique/IMG/pdf/energie_solaire_photovoltaique.pdf
- https://www.facilasol.fr/schema-dinstallation-de-panneaux-solaires-guide-pratique-en-pdf/
- https://www.photovoltaique.info/fr/realiser-une-installation/regles-conception-mise-en-oeuvre/normes-electriques-applicables-aux-systemes-pv/guide-ute-c-15-712-1/
- https://ekosia.fr/schema-installation-photovoltaique-micro-onduleur/
- https://www.grand-est.developpement-durable.gouv.fr/IMG/pdf/201810-plaq-photovoltaique-02-w3.pdf
- https://assets.legrand.com/pim/DOCUMENT/legrand-guide-technique-solutions-photovoltaiques.pdf
- https://www.grand-est.developpement-durable.gouv.fr/IMG/pdf/201810-plaq-photovoltaique-01-w3.pdf
- https://anme.tn/sites/default/files/guide_installation_des_systemes_photovoltaiques.pdf
- https://reseau-pratiques.org/sites/default/files/installation_photovoltaique.pdf
- https://bauerenergie.lu/step-2-planification-et-etude-technique-dune-installation-solaire/
- https://docs.aws.sharp.eu/Marketing/Operational_manuals/210223-NUJC370-NUJC360B-MANUEL-D-INSTALLATION-FR-SIM02E-005-FR.pdf
- https://energypedia.info/images/4/48/210709_G04._Guide_panneaux_photovoltaiques_dans_les_mosquees.pdf
- https://dualsun.com/guides/installation-entretien/type-pose-panneau-solaire/
- https://www.solairepro.comparateur-panneau-solaire.fr/schema-installation-panneau-solaire-pdf/
- https://www.solairepro.comparateur-panneau-solaire.fr/24v-schema-installation-panneau-solaire-pdf/
- https://safetyculture.com/fr/listes-de-verification/fiche-entretien-des-panneaux-solaires/
- https://www.solairepro.comparateur-panneau-solaire.fr/tout-savoir-sur-les-panneaux-photovoltaiques-fonctionnement-et-avantages/schema-installation/24v-schema-installation-panneau-solaire-pdf/
- https://www.photovoltaique.info/fr/preparer-un-projet/quel-modele-economique/connaitre-les-couts-et-evaluer-la-rentabilite/
- https://www.photovoltaique.info/fr/tarifs-dachat-et-autoconsommation/couts-reglementaires/couts-de-raccordement-au-reseau/
- https://www.idex.fr/le-blog/panneaux-solaires-prix-selon-le-type-la-pose-et-mesure-de-la-rentabilite
- https://ekwateur.fr/blog/autoconsommation/aides-panneaux-solaires/
- https://solaireenanjou.fr/wp-content/uploads/2021/06/FORM_20210101_Aides_photovoltaiques_particuliers_CCVHA_V1.pdf
- https://www.goensol.com/installation-panneau-solaire
- https://librairie.ademe.fr/ged/8006/photovolta__que-012221-6.pdf
- https://eduscol.education.fr/sti/sites/eduscol.education.fr.sti/files/ressources/pedagogiques/549/549-corrige-tp-dim-syst-pv.pdf
- http://homeenergy.free.fr/Photo Voltaique-Clement.pdf
- https://www.solaire-collectif.fr/ftp/pgiArticle/ESPC/GUIDE-SOLAIRE-ET-PATRIMOINE-CLASSE.pdf
- https://audit.ide.pref.gouv.fr/contenu/telechargement/31929/288199/file/Etude d’impact sur l’environnement p 210-423_1-54.pdf












